
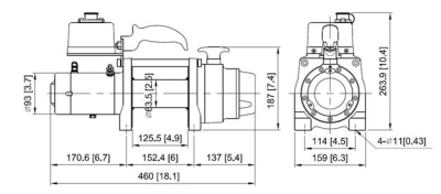
Velocità di tiro e Amp. (1° strato di cavo sul tamburo):
| Capacità di tiro, | Velocità di tiro, | Amp, A |
| 12V | ||
| No carico | 8.0 / 26.2 | 60 |
| 907 / 2,000 | 5.2 / 17 | 150 |
| 1,814 / 4,000 | 3.1 / 10.2 | 240 |
| 2,722 / 6,000 | 2.0 / 6.5 | 300 |
Capacità di tiro:
| Strato di cavo | Capacità di tiro, kg / lb | Cavo totale per strato, m / ft | |
| tamburo standard | tamburo lungo | ||
| 1 | 2,722 / 6,000 | 3.8 / 12.5 | 7 / 22.9 |
| 2 | 2,266 / 4,995 | 8.1 / 27.5 | 15.4 / 50.4 |
| 3 | 1,941 / 4,279 | 13.7 / 45 | 25.2 / 82.5 |
| 4 | 1,697 / 3,742 | 19.8 / 65.1 | 30.5 / 100 |
| 5 | 1,508 / 3,325 | 24.4 / 80 | - |