
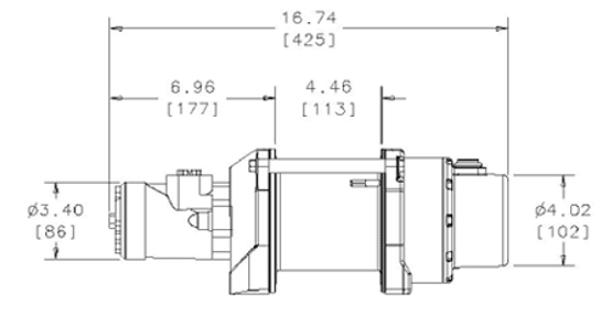
Paranco/argano da sollevamento idraulico, compatto.
Capacità di sollevamento: 907 Kg
Rapporto di riduzione di 26:1, freno a disco per un controllo positivo del carico, motore da 32,0 cc.
Progettato per rispondere agli standard ANSI B30.5o.
Connettore e telecomando sono acquistabili a parte.
La dotazione non prevede il cavo metallico.
Se hai bisogno di una grande potenza nelle operazioni di sollevamento, non cercare oltre.
I paranchi industriali WARN uniscono le prestazioni dei motori per impieghi gravosi a ingranaggi planetari in acciaio temprato per fornire la massima efficienza su cui poter sempre contare. I paranchi elettrici DC di WARN sono disponibili con motori a 12V e 24V, mentre i paranchi idraulici funzionano con tutti i sistemi idraulici.
Tutti i paranchi WARN sono conformi ai severi standard di qualità mondiali.