
Motore: idraulico 4.0 ci ROTAZIONE ORARIA
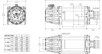
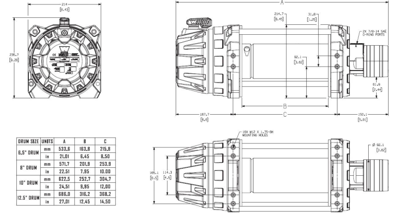
Diametro flangia del tamburo: 209.3mm
Larghezza del tamburo: 252.7mm
Capacità di tiro: 12000lb/5443Kg
Freno: automatico SAE J706 Sec. 4.2
Diametro cavo raccomandato: 11mm
Diametro massimo del cavo: 12.7mm
Strati massimi sul tamburo: 4 con diametro 11 mm
Capacità minima di rottura del cavo: 9253Kg
Ratio: 36:1
Frizione: manuale
Temperatura di lavoro: -40° fino a 70° C
Grado di protezione: IP68
Peso: 38.7Kg
I verricelli industriali WARN Serie G2 sono ideali per applicazioni industriali grazie alle migliorate prestazioni e una migliore durata che consentono di lavorare in modo più facile. I verricelli della Serie G2 possono anche essere utilizzati per applicazioni specifiche in base alle esigenze.
Si può scegliere diversi tipi per lunghezze di tamburo, rulliera, bocca guida-cavo, etc. Sono disponibili i modelli idraulici, elettrici o per impieghi gravosi e hanno capacità che variano da 9.000 libbre (4.082 Kg) a 18.000 libbre (8.165 Kg) con le seguenti caratteristiche.
• verricello configurabile per ogni esigenza
• i miglioramenti effettuati aumentano la durata del prodotto, facendo risparmiare denaro a lungo termine
• efficienza e prestazioni migliorati
• grado di protezione e impermeabilità: IP68
• progettati seguendo normative SAE J706 e EN14492-1
• il nuovo relè fornisce una migliore tenuta e affidabilità
I modelli idraulici sono disponibili in diverse varianti: con rotazione del tamburo in senso orario e antiorario e con opzione di frizione manuale e ad aria (pneumatica). Sono ideali nel settore del traino e del recupero che richiedono un utilizzo giornaliero intensivo. Presentano un design robusto e pratico per la manutenzione con un blocco ingranaggi resistente per una prestazione migliore.
I modelli elettrici sono disponibili in diverse varianti: con rotazione del tamburo in senso orario e antiorario e con frizione manuale sia a 12V che a 24V. Sono ideali per interventi di primo soccorso, per veicoli commerciali e molte applicazioni in cui è necessario un verricello elettrico a 12V o 24V. Le prestazioni migliorate aiutano a portare a termine i lavori in modo rapido e affidabile. Inoltre offrono un riavvolgimento rapido durante il traino, affidabile e silenzioso con una riduzione fino al 65% di vibrazioni e di rumore.
La serie Severe Duty include due varianti con capacità diversa (12.000 e 18.000 libbre), con un'unica possibile rotazione di tamburo in senso antiorario e frizione manuale, con diverse lunghezze del tamburo e del cavo. Sono ideali per le situazioni più impegnative come applicazioni militari; sono dotati di rivestimento CARC resistente ad agenti chimici.
PRESTAZIONI PER STRATO:
| STRATO DI CAVO | CAPACITA' DI TIRO (Kg) | VELOCITÀ' DI TIRO 10 GPM (m/min) | VELOCITÀ' DI TIRO 15 GPM (m/min) |
| 1 | 5443 | 5.9 | 9.4 |
| 2 | 4547 | 7.2 | 13.1 |
| 3 | 3904 | 8.3 | 28.3 |
| 4 | 3420 | 9.4 | 39.6 |
PRESTAZIONI SUL PRIMO STRATO:
| CAPACITA' DI TIRO (Kg) | PRESSIONE A 10 GPM (psi) | PRESSIONE A 15 GPM (psi) |
| 0 | 214 | 441 |
| 907 | 578 | 732 |
| 1814 | 942 | 1052 |
| 2722 | 1306 | 1392 |
| 3629 | 1669 | 1754 |
| 4536 | 2033 | 2125 |
| 5443 | 2397 | 2526 |