
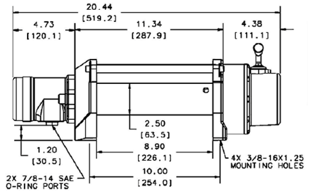
Questo verricello industriale idraulico Serie 6 ha una riduzione planetaria in due stadi dell'ingranaggio di 27:1 con un facile ancoraggio del cavo sul tamburo.
Portata: 2.727 Kg.
PN: 1-33445 (rotazione antioraria).
Anno dopo anno, lavoro dopo lavoro, apprezzerai l’affidabilità racchiusa in tutti gli argani idraulici WARN. I motori idraulici generano i lunghi cicli di lavoro richiesti per pesanti trazioni necessarie alle grandi opere.
Fatti di acciaio temprato, i riduttori epicicloidali a due stadi assicurano un funzionamento affidabile e velocità di tiro elevate. Tutti sono progettati per operazioni gravose di traino e recupero, e sono conformi agli standard di sicurezza e qualità a livello mondiale.
Per le applicazioni di un verricello idraulico, nessun prodotto ha prestazioni migliori di un verricello industriale WARN®.
I potenti motori idraulici consentono un utilizzo prolungato.
Gli ingranaggi in acciaio temprato offrono un funzionamento efficiente e affidabile oltre a velocità di tiro elevate. Come i loro cugini elettrici, questi prodotti sono conformi agli standard internazionali di qualità e sicurezza.
Motore idraulico ad alto flusso per impieghi gravosi. Il pressa fune del tamburo standard e il freno forniscono un avvolgimento ottimale della fune. Frizione a bloccaggio meccanico con azione regolare.
Il design dell’ingranaggio planetario permette una lubrificazione a lungo termine con grasso.
Facile accesso e manutenzione; tutti i componenti interni sono disponibili come gruppi completi.
Diametro del tamburo di grandi dimensioni per una maggiore durata della fune metallica con minore attrito.
Conformità SAE J706.
Freno a disco automatico applicato a molla; altamente affidabile e robusto.