
Il verricello elettrico per fuoristrada WARN ZEON Platinum™ 10 con cavo metallico è progettato per coloro che superano i limiti. Con una resistenza doppia, una velocità di tiro maggiore del 20% e impermeabilità IP68, sarai equipaggiato per andare in posti che altri solo sognano.
Capacità di tiro lineare: 4.536 Kg
Cavo: in acciaio 24m x 9.5mm
Impermeabilità: IP68
Motore: 12V DC serie Wound
Comandi elettrici: Contactor
Controllo remoto: Wireless Avanzato
Ingranaggi: epicicloidale a tre stadi
Ratio ingranaggi: 162:1
Freno: automatico
Diametro tamburo/lunghezza: 229x80 mm
Passacavo: bocca guidacavo
Peso: 37 Kg
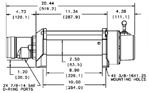
Dimensioni: 616x182x267 mm
Batteria raccomandata: 650 CCA
Nota: questo prodotto richiede un paraurti o una piastra di montaggio compatibili per essere montato correttamente sul veicolo.
Questi verricelli hanno eliminato definitivamente le frizioni manuali.
L'avanzato comando wireless non controlla solo il verricello ma anche la frizione e altri accessori.
CAVI SINTETICI SPYDURA®
CAPACITA' DI TIRO: 10.000 libbre (4536 Kg)
• DURATA RADDOPPIATA.
• 20% PIÙ VELOCE.
• TECNOLOGIA DI ALTISSIMO LIVELLO.
Motore elettrico più lungo con rotore maggiorato dal basso consumo di Ampère.
Meccanica completamente ridisegnata e componenti maggiorati per una durata nel tempo.
• IMPERMEABILITA' ESTREMA.
Conforme agli standard IP68.
• SISTEMA AVANZATO COMANDO WIRELESS.
Non si tratta di un semplice radiocomando ma di un vero e proprio palmare dal quale si controlla il verricello e non solo!
Innanzitutto ora la frizione non si sblocca più a mano sul verricello ma tramite radiocomando.
Il display del radiocomando inoltre, da informazioni sulla temperatura di esercizio, consumo elettrico e stato della batteria.
Due uscite elettriche ausiliarie dal verricello e controllate tramite il radiocomando per eventuali controlli di altri accessori come, ad esempio, luci supplementari.